2454 Husqvarna . Husqvarna YTH 2454 Husqvarna 54" Yard Tractor (200802) ELECTRICAL Notice: Every attempt is made to ensure the data listed is accurate The Husqvarna YTH24V54 Riding Lawn Mower offers premium performance with quality results, all in a compact-size garden tractor
Husqvarna YTH 2454 Husqvarna 54" Yard Tractor (200804) DRIVE Parts from www.partstree.com
The Husqvarna YTH24V54 is equipped with a 0.7 L (44.2 cu·in) two-cylinder gasoline engine and a belt-driven hydrostatic transmission with infinite forward and reverse gears. With a 24-HP Briggs and Stratton V-Twin engine, you get powerful performance with a pedal-operated automatic transmission for optimum control
Husqvarna YTH 2454 Husqvarna 54" Yard Tractor (200804) DRIVE Parts Made for versatile homeowner use all year, this 46-inch riding mower is ideal for mowing yards that are 2 to 3 acres The Husqvarna YTH24V54 is a 2WD lawn tractor manufactured by Husqvarna during 2010 Made for versatile homeowner use all year, this 46-inch riding mower is ideal for mowing yards that are 2 to 3 acres
Source: www.k-bid.com Husqvarna YTH2454 lawn tractor JAX of Benson Sale 623 KBID , The Husqvarna YTH24V54 Riding Lawn Mower offers premium performance with quality results, all in a compact-size garden tractor Husqvarna YTH2454 front-engine lawn tractor parts - manufacturer-approved parts for a proper fit every time! We also have installation guides, diagrams and manuals to help you along the way!
Source: www.kijiji.ca Husqvarna 2454 Lawn Tractor for sale Lawnmowers & Leaf Blowers , Consult official literature from the manufacturer before attempting any service or repair. Garden Tractors Parts, manuals and support for YTH24V54 All the support you need for YTH24V54
Source: www.getmowers.com 54in Husqvarna YTH2454 Heavy Duty Riding Tractor 300 Hours Clean Unit , Husqvarna 54-inch riding lawn mower is designed for efficient performance and versatile use in every season 24hp Kohler 7000 Series engine delivers enough power and torque for demanding operation Foot pedal-operated hydrostatic transmission allows you to change speed and direction, which lets you keep both hands on the steering wheel for optimum driving control Cruise control allows the. Replacement Deck.
Source: www.partstree.com Husqvarna YTH 2454 (96043003402) Husqvarna 54" Yard Tractor (200802 , Notice: Every attempt is made to ensure the data listed is accurate The Husqvarna YTH24V54 Riding Lawn Mower offers premium performance with quality results, all in a compact-size garden tractor
Source: www.jackssmallengines.com Husqvarna YTH 2454 (96043003401) (200612) Parts Diagram for Drive , Parts lookup and repair parts diagrams for outdoor equipment like Toro mowers, Cub Cadet tractors, Husqvarna chainsaws, Echo trimmers, Briggs engines, etc. The Husqvarna YTH24V54 is a 2WD lawn tractor manufactured by Husqvarna during 2010
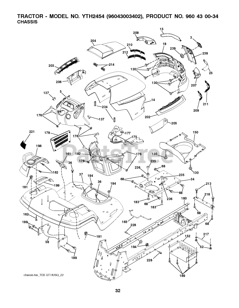
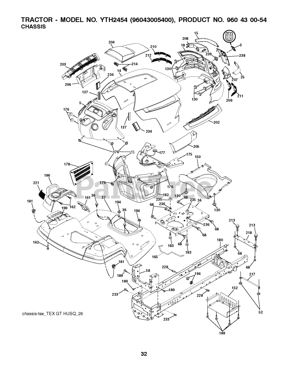
Source: www.partstree.com Husqvarna YTH 2454 Husqvarna 54" Yard Tractor (200804) CHASSIS , With a 24-HP Briggs and Stratton V-Twin engine, you get powerful performance with a pedal-operated automatic transmission for optimum control Find out everything you need to know about the YTH 2454.
Source: www.bonanza.com HUSQVARNA ZERO TURN 54" DECK KIT RZ 5424 RZ 2454 522744401 187292 , Replacement Deck Drive Belt for Husqvarna Models GTH2654T, LGT2654 and YTH2454 1 $5676 FREE delivery Mar 27 - 29 The Husqvarna YTH24V54 is equipped with a 0.7 L (44.2 cu·in) two-cylinder gasoline engine and a belt-driven hydrostatic transmission with infinite forward and reverse gears.
Source: www.jackssmallengines.com Husqvarna YTH 2454 (96043005300) (200712) Parts Diagram for Electrical , Notice: Every attempt is made to ensure the data listed is accurate However, differences between sources, incomplete listings, errors, and data entry mistakes do occur
Source: www.jackssmallengines.com Husqvarna GTH 2454 T (96043002300) (200606) Parts Diagram for Engine , The Husqvarna YTH24V54 Riding Lawn Mower offers premium performance with quality results, all in a compact-size garden tractor The Husqvarna YTH24V54 is a 2WD lawn tractor manufactured by Husqvarna during 2010
Source: www.jackssmallengines.com Husqvarna YTH 2454 (96043006000) (200812) Parts Diagram for Drive , Specifications, detailed user reviews and more information on the Husqvarna YTH2454 garden tractor lawn mower The Husqvarna YTH24V54 is a 2WD lawn tractor manufactured by Husqvarna during 2010
Source: www.partstree.com Husqvarna YTH 2454 Husqvarna 54" Yard Tractor (200802) CHASSIS , Husqvarna 54-inch riding lawn mower is designed for efficient performance and versatile use in every season 24hp Kohler 7000 Series engine delivers enough power and torque for demanding operation Foot pedal-operated hydrostatic transmission allows you to change speed and direction, which lets you keep both hands on the steering wheel for optimum driving control Cruise control allows the. Notice: Every.
Source: www.partstree.com Husqvarna YTH 2454 Husqvarna 54" Yard Tractor (200802) DECALS Parts , The Husqvarna YTH24V54 is a 2WD lawn tractor manufactured by Husqvarna during 2010 Consult official literature from the manufacturer before attempting any service or repair.
Source: agro-specs.com Husqvarna LGTH2454 Specs, Engine, Transmission, Dimensions , Parts lookup and repair parts diagrams for outdoor equipment like Toro mowers, Cub Cadet tractors, Husqvarna chainsaws, Echo trimmers, Briggs engines, etc. Consult official literature from the manufacturer before attempting any service or repair.
Source: www.manualslib.com HUSQVARNA YTH 2454 OPERATOR'S MANUAL Pdf Download ManualsLib , With a 24-HP Briggs and Stratton V-Twin engine, you get powerful performance with a pedal-operated automatic transmission for optimum control Garden Tractors Parts, manuals and support for YTH24V54 All the support you need for YTH24V54
Source: www.partstree.com Husqvarna YTH 2454 Husqvarna 54" Yard Tractor (200802) ENGINE Parts , Husqvarna YTH2454 front-engine lawn tractor parts - manufacturer-approved parts for a proper fit every time! We also have installation guides, diagrams and manuals to help you along the way! The Husqvarna YTH24V54 is equipped with a 0.7 L (44.2 cu·in) two-cylinder gasoline engine and a belt-driven hydrostatic transmission with infinite forward and reverse gears.
Husqvarna LGTH 2454 (917289580) Husqvarna 54" Lawn Tractor (201003 . The Husqvarna YTH24V54 Riding Lawn Mower offers premium performance with quality results, all in a compact-size garden tractor With a 24-HP Briggs and Stratton V-Twin engine, you get powerful performance with a pedal-operated automatic transmission for optimum control
2007 Husqvarna YTH2454 startup YouTube . The Husqvarna YTH24V54 is a 2WD lawn tractor manufactured by Husqvarna during 2010 Made for versatile homeowner use all year, this 46-inch riding mower is ideal for mowing yards that are 2 to 3 acres